光電耦合器因為其獨特的結構特點,因此在實際使用過程中,具有以下明顯的優點:
• 能夠有效抑制接地回路的噪聲,消除地干擾,使現場信號與主控制端在電氣上完全隔離,避免了主控制系統受到意外損壞。
• 可以在不同電位和不同阻抗之間傳輸信號,且對信號具有放大和整形等功能,使得實際電路設計大為簡單。
• 開關速度快,高速光耦器的響應速度達到ns數量級,極大地拓展了光電耦合器在數字信號處理中的應用。
• 體積小,器件多采用雙列直插封裝,具有單通道、多通道以及多達八通道等多種結構,使
用十分方便。
• 可替代變壓器隔離,不會因觸點跳動而產生尖銳噪聲,且抗震動和抗沖擊能力強。
• 高線性型光電耦合器除了用于電源監測等,還被用于醫用設備,能有效保護病人的人身安全。
分類
分類
由于光電耦合器的品種和類型非常多,在光電子數據手冊中,其型號超過上千種,通常按以下方法進行分類:
1. 按光路徑分:可分為外光路光電耦合器和內光路光電耦合器,外光路光電耦合器又分為透過型和反射型光電耦合器。
2. 按輸出形式可分為:
光敏器件輸出型:其中包括光敏二極管輸出型,光敏三極管輸出型,光電池輸出型,光可控硅輸出型等。
NPN三極管輸出型:其中包括交流輸入型、直流輸入型、互補輸出型等。
達林頓三極管輸出型:其中包括交流輸入型,直流輸入型。
邏輯門電路輸出型:其中包括門電路輸出型,施密特觸發輸出型,三態門電路輸出型。
低導通輸出型:輸出低電平毫伏數量級。
光開關輸出型:導通電阻<10Ω。
功率輸出型:IGBT/MOSFET等輸出。
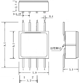
③GH281-4外形圖光敏器件輸出型:其中包括光敏二極管輸出型,光敏三極管輸出型,光電池輸出型,光可控硅輸出型等。
NPN三極管輸出型:其中包括交流輸入型、直流輸入型、互補輸出型等。
達林頓三極管輸出型:其中包括交流輸入型,直流輸入型。
邏輯門電路輸出型:其中包括門電路輸出型,施密特觸發輸出型,三態門電路輸出型。
低導通輸出型:輸出低電平毫伏數量級。
光開關輸出型:導通電阻<10Ω。
功率輸出型:IGBT/MOSFET等輸出。
3. 按封裝形式分:可分為同軸型,雙列直插型,TO封裝型,扁平封裝型,貼片封裝型以及光纖傳輸型。
4. 按傳輸信號分:可分為數字型光電耦合器和線性光電耦合器。
5. 按速度分:可分為低速光電耦合器和高速光電耦合器。
6. 按通道分:可分為單通道,雙通道和多通道光電耦合器。
7. 按隔離特性分:可分為普通隔離光電耦合器(一般光學膠灌封隔離電壓低于5kV,空封低于2kV)和高壓隔離光電耦合器(隔離電壓可到10kV,20kV,30kV等)。
8.按工作電壓分:可分為低電源電壓型光電耦合器(一般電源電壓為5-15V)和高電源電壓型光電耦合器(一般電源電壓大于30V)。
應用
由于光耦種類繁多,結構獨特,優點突出,應用十分廣泛,主要應用在以下場合:
在邏輯電路上的應用
光耦可以構成多種邏輯電路,由于光耦的抗干擾性能和隔離性能比晶體管好,因此,由它構成的邏輯電路更可靠。
作為固體開關應用
在開關電路中,往往要求控制電路和開關之間要有很好的隔離,對于一般的電子開關來說是很難做到的,但用光耦卻很容易實現。
在觸發電路上應用
將光耦用于雙穩態輸出電路,由于可以把發光二極管分別串入兩管發射極回路,可有效地解決輸出與負載隔離的問題。
在脈沖放大電路中的應用
光耦應用于數字電路,可以將脈沖信號進行放大。
在線性電路上的應用
線性光耦應用于線性電路,具有較高的線性度以及優良的電隔離性能。
特殊場合的應用
光耦還可應用于高壓控制,取代變壓器,代替觸點繼電器以及用于A/D電路等多種場合。
光電耦合器選用注意事項詳見技術手冊
光電耦合器介紹
應用
由于光耦種類繁多,結構獨特,優點突出,應用十分廣泛,主要應用在以下場合:
在邏輯電路上的應用
光耦可以構成多種邏輯電路,由于光耦的抗干擾性能和隔離性能比晶體管好,因此,由它構成的邏輯電路更可靠。
作為固體開關應用
在開關電路中,往往要求控制電路和開關之間要有很好的隔離,對于一般的電子開關來說是很難做到的,但用光耦卻很容易實現。
在觸發電路上應用
將光耦用于雙穩態輸出電路,由于可以把發光二極管分別串入兩管發射極回路,可有效地解決輸出與負載隔離的問題。
在脈沖放大電路中的應用
光耦應用于數字電路,可以將脈沖信號進行放大。
在線性電路上的應用
線性光耦應用于線性電路,具有較高的線性度以及優良的電隔離性能。
特殊場合的應用
光耦還可應用于高壓控制,取代變壓器,代替觸點繼電器以及用于A/D電路等多種場合。
光電耦合器選用注意事項詳見技術手冊
光電耦合器介紹
• 公司現有光電耦合器產品GH281系列,GH302系列, CB124A系列和GH8060系列。目前正在開發其它系列的產品。
• 光電耦合器產品特點:
1、全密封裝,內部氣氛控制;
2、輸入輸出間電氣隔離性能好,多位器件亦相互隔離,耐壓高,隔離電阻
3、信號響應速度高,抗干擾性能強,傳輸比大;
4、體積小、重量輕,可靠性高;
5、環境適應性:貯存溫度:-55℃~+150℃,工作溫度:-55℃~+105℃
(一)GH281系列光電耦合器
半導體光電耦合器GH281系列為三極管輸出型單路及多路光電耦合器。
(一)GH281系列光電耦合器
半導體光電耦合器GH281系列為三極管輸出型單路及多路光電耦合器。
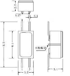
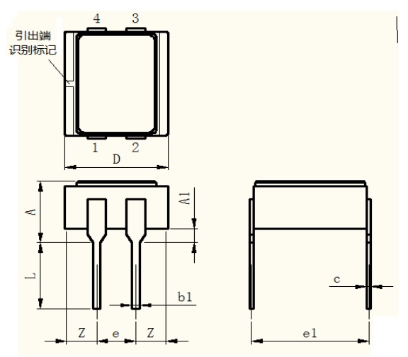
1、封裝形式與外形尺寸 ①GH281-1外形圖

②GH281-2外形圖


②GH281-2外形圖



引出端定義及電原理圖


光電耦合器電特性詳見產品技術手冊
GH302系列光電耦合器


②GH302-1外形圖


③GH302-2外形圖


④GH302-4外形圖


2、引出端定義及電原理圖







